www.jb-electronics.de » Elektronik » Digitaltechnik » Lottozahlengenerator
Diese Schaltung leistet im Prinzip genau das gleiche wie der elektronische Würfel. Der modifizierte Universal-Taktgenerator liefert das Taktsignal für einen zweistufigen Zähler, der aus dem Zähler-IC CD4026 besteht. Es wäre natürlich auch möglich, diese Schaltung mit BCD-Zählern und Dekodern aufzubauen, der Bauteileaufwand wäre so aber höher.
Wie auch bei der Digitaluhr II gibt es ein Problem mit dem Resetten, da die Ausgänge des Zählers ja bereits das 7-Segment-Format ausgeben. Der Zähler darf nur alle Zahlen von 1-49 ausgeben. (Beim richtigen Lotto kann eine Zahl, nachdem sie gezogen wurde, nicht erneut gezogen werden. Dies wird hier nicht berücksichtigt, da dafür eine Speichervorrichtung benötigt werden würde, was die Komplexität der Schaltung ungemein erhöhen würde.)
Ein kleiner Schönheitsfehler kann hier nicht verschwiegen werden: In der hier beschriebenen Variante ist die Zahl 0 möglich, obwohl es diese beim Lotto nicht gibt. Abhilfe würde der Zähler-IC CD4510 schaffen, bei dem der Preset-Wert auf 1 gesetzt werden könnte.
Das Problem mit dem Resetten jedoch bleibt. Die Lösung besteht darin, dass bei der Zahl 5 bei den Zehnern zum ersten Mal das Segment b nicht an ist:

Durch diese Schaltung wird - sollte das Segment b an sein - der Reset-Pin der Zehner durch die Darlington-Transistor-Schaltung der beiden BC547 permanent nach Masse gezogen. Sollte das Segment b nun ausgehen, sperren die beiden Transistoren und der Reset-Pin wird über den 66k-Widerstand R2 mit +12V verbunden und resettet folglich.
Die obige Kombination aus zwei Transistoren nennt man übrigens eine Darlington-Transistor-Schaltung. Sie dient im Grunde nur dazu, den Verstärkungsfaktor zu erhöhen.
Das Starten/Anhalten des Generators wird folgendermaßen gelöst:

Das Takstignal liegt permanent am Eingang des CD4026. Da Carry In allerdings permanent auf +12V liegt, wird der Takt gesperrt. Wenn nun aber der Taster S1 betätigt wird, wird Carry In auf Masse gezogen, und der Zähler kann zählen. Wird S1 wieder losgelassen, liegt Carry In wieder an +12V und sperrt den Takt.
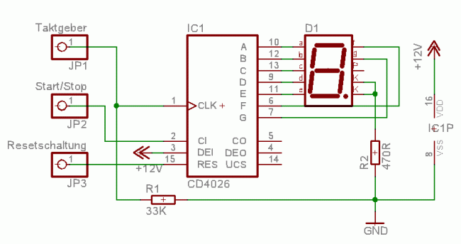
Der Zähler selber wird so verschaltet:

Hier ein paar Fotos des fertigen Lottozahlengenerators:

Auf diesen Fotos sind mehr Widerstände zu sehen, als in der Schaltung vorhanden sind. Das liegt daran, dass sich der 66K Widerstand aus zwei 33K Widerständen zusammensetzt. Der Wert des Basiswiderstands der Darlington-Transistor-Stufe beträgt ebenfalls nur 1K, da der andere 1K Widerstand unter der Platine verlötet ist. Dieses Verwirrspiel kommt daher, dass ich die optimalen Widerstandswerte während der Bauphase experimentell ermittelt habe.
Hier noch ein Foto der Schaltung in Betrieb:

www.jb-electronics.de » Electronics » Digital Technology » Lottery Numbers Generator
There is no English translation of this page available yet. It will take some more time for me to translate the whole website.
If you have a particular interest in this page getting translated as fast as possible, please contact me; I will see what I can do. Please click here for the German version.