www.jb-electronics.de » Elektronik » Digitaltechnik » LED-Säule II
Die LED-Säule II ist - genau wie die LED-Säule I - nur ein einfaches Lauflicht, das nach folgendem Muster arbeitet (die einzelnen Zustände dauern ca. 1s):
| Zustand Nr. | LEDs |
| 1 | X________ |
| 2 | XX_______ |
| 3 | XXX______ |
| 4 | XXXX_____ |
| 5 | XXXXX____ |
| 6 | XXXXXX___ |
| 7 | XXXXXXX__ |
| 8 | XXXXXXXX_ |
| 9 | XXXXXXXXX |
| 10 | _________ |
Die LED-Säulen waren eine Auftragsarbeit für einen Messestand, der Entwurf sah so aus:

Es gab also zwei Varianten, einmal das 9-Kanal-Lauflicht (sollte 1x aufgebaut werden) und die kleineren 5-Kanal-Lauflichter (sollten 4x aufgebaut werden), die hier beschrieben werden: LED-Säule I. Es wurden dafür blaue 10mm-LEDs verwendet:

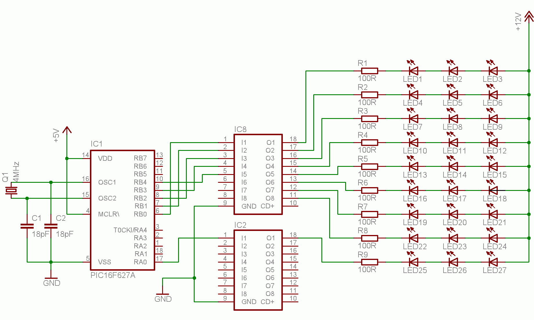
Pro Kanal sind drei LEDs angeschlossen, sodass das eine Gesamtzahl von 27 LEDs ergibt. Drei 10mm-LEDs kann ein PIC-Ausgang nicht ansteuern, als Treiber wurde wieder der altbekannte ULN2803A verwendet, der bis zu 500mA pro Kanal schalten kann. Da sind die 10mm-LEDs mit ihren 30mA bescheidener.
Hier sieht man den Schaltplan für das 9-Kanal-Lauflicht:

Hier ist der Schaltplan in höherer Auflösung zu finden.
Die Platine musste mitsamt der LEDs in das runde PVC-Rohr eingebaut werden, daher ist sie ziemlich länglich und schmal aufgebaut:

Die LEDs wurden je auf eine kleine Platine gelötet, und diese wurden dann in eine Netzstruktur gebracht:

Hier sieht man einen Testlauf des noch uneingebauten Lauflichts:

Eingebaut werden musste das ganze in ein vorgebohrtes 100mm-PVC-Rohr:

Dazu wurden die jeweils 9 LEDs einer Seite auf eine Holzkonstruktion geklebt. Bei der LED-Säule I verwendete ich noch Pappe, da die Platzverhältnisse bei nur 50mm Durchmesser kritisch waren, aber bei 100mm ist auf jeden Fall genug Platz.


Eingebaut wurde es genau so wie auch bei der LED-Säule I, sodass nach dem Verschließen der Unterseite auch die LED-Säule II schließlich aufgestellt werden konnte:

Solch ein Lauflicht kann man relativ einfach mit Standardbauteilen aufbauen (ein CD4017, ein Taktgeber und ein paar Dioden), auch wenn es hier etwas komplexer ist als bei der LED-Säule I. Dennoch wurde hier ein PIC verwendet. Warum? Ursprünglich wurde mit dem Gedanken gespielt, die Helligkeit der Säule über einen Taster einstellbar zu halten, falls die LEDs zu grell sein sollten. Die Bauteile wurden bestellt, aber dann wurde auf die Funktion doch noch verzichtet. Das Ergebnis: Ein unterforderter PIC mehr auf der Welt.
Für alle Interessierten gibt es hier den C-Quellcode und das fertig kompilierte HEX-File: LEDSaeuleII.zip (2KB)
www.jb-electronics.de » Electronics » Digital Technology » LED Column II
There is no English translation of this page available yet. It will take some more time for me to translate the whole website.
If you have a particular interest in this page getting translated as fast as possible, please contact me; I will see what I can do. Please click here for the German version.