www.jb-electronics.de » Elektronik » Digitaltechnik » LED-Säule I
Die LED-Säule I ist zunächst einmal nichts Komplizierteres als ein 5-Kanal-Lauflicht, das nach folgendem Muster arbeitet (die einzelnen Zustände dauern ca. 1s):
| Zustand Nr. | LEDs |
| 1 | X____ |
| 2 | XX___ |
| 3 | XXX__ |
| 4 | XXXX_ |
| 5 | XXXXX |
| 6 | _____ |
Die LED-Säulen waren eine Auftragsarbeit für einen Messestand, der Entwurf sah so aus:

Es gab also zwei Varianten, einmal ein 5-Kanal-Lauflicht (sollte 4x aufgebaut werden) und ein größeres 9-Kanal-Lauflicht (sollte nur 1x aufgebaut werden), das hier beschrieben wird: LED-Säule II. Es wurden dafür blaue 10mm-LEDs verwendet:

Pro Kanal sind drei LEDs angeschlossen, sodass das eine Gesamtzahl von 15 LEDs ergibt. Drei 10mm-LEDs kann ein PIC-Ausgang nicht ansteuern, als Treiber wurde wieder der altbekannte ULN2803A verwendet, der bis zu 500mA pro Kanal schalten kann. Da sind die 10mm-LEDs mit ihren 30mA bescheidener.
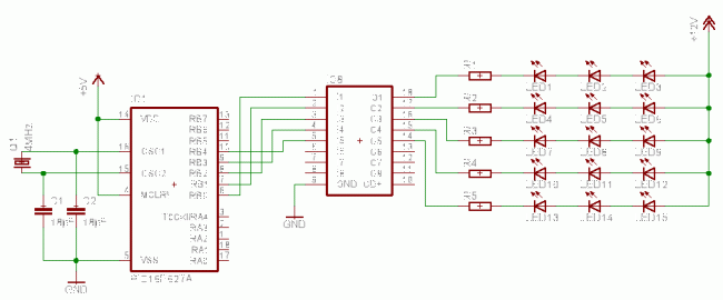
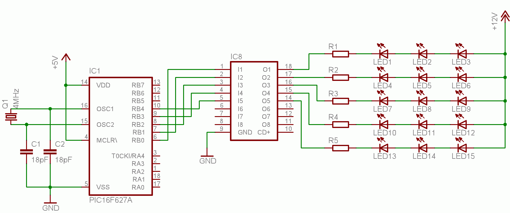
Hier sieht man den Schaltplan für das 5-Kanal-Lauflicht:

Hier ist der Schaltplan in höherer Auflösung zu finden.
Die Platine musste mitsamt der LEDs in das runde PVC-Rohr eingebaut werden, daher ist sie ziemlich länglich und schmal aufgebaut:

Die LEDs wurden je auf eine kleine Platine gelötet, und diese wurden dann in eine Netzstruktur gebracht:

Hier sieht man einen Testlauf des noch uneingebauten Lauflichts:

Eingebaut werden musste das ganze in ein vorgebohrtes 50mm-PVC-Rohr:

Dazu wurden die jeweils 5 LEDs einer Seite auf eine Pappkonstruktion geklebt (Holz wäre zu dick gewesen), wie im folgenden Bild zu sehen:

Dann wurde das Gebilde zusammengerollt, mit der Platine in der Mitte:

Und dann musste das ganze auch noch in das 50mm-Rohr hineinpassen:

Nun wurde noch ein 10mm-Alurohr durchgeführt (siehe Entwurf oben), durch das auch das Stromversorgungskabel gelegt wurde (es ist zwar ein Netzkabel, aber es werden 12V über ein Steckernetzteil (12V, 1A) zugeführt, ein Netzkabel wurde nur verwendet, da es wesentlich stabiler ist und leichter durch das Alu-Rohr zu führen ist):


Und dann - endlich - konnte die Unterseite verschlossen werden, und die LED-Säule I konnte nach langer Arbeit aufgestellt werden.

Solch ein Lauflicht kann man relativ einfach mit Standardbauteilen aufbauen (ein CD4017, ein Taktgeber und ein paar Dioden), dennoch wurde hier ein PIC verwendet. Warum? Ursprünglich wurde mit dem Gedanken gespielt, die Helligkeit der Säule über einen Taster einstellbar zu halten, falls die LEDs zu grell sein sollten. Die Bauteile wurden bestellt, aber dann wurde auf die Funktion doch noch verzichtet. Das Ergebnis: Ein unterforderter PIC mehr auf der Welt.
Für alle Interessierten gibt es hier den C-Quellcode und das fertig kompilierte HEX-File: LEDSaeuleI.zip (2KB)
www.jb-electronics.de » Electronics » Digital Technology » LED Column I
There is no English translation of this page available yet. It will take some more time for me to translate the whole website.
If you have a particular interest in this page getting translated as fast as possible, please contact me; I will see what I can do. Please click here for the German version.