www.jb-electronics.de » Elektronik » Nixie-Röhren » Nixie-Uhr I
Ich hatte vor langer Zeit mal eine Digitaluhr mit normalen 7-Segment-Anzeigen aufgebaut. Aber nach einiger Zeit hatte ich mich an den roten Ziffern sattgesehen und wollte mir eine schönere Uhr basteln. Ungefähr zur gleichen Zeit besuchte ich das Paderborner Heinz Nixdorf-Computermuseum, und dort sah ich durch Zufall einige leuchtende Nixies - und mir war sofort klar, dass ich mir eine Uhr mit diesen Röhren basteln wollte.
Nachdem ich mich im Internet nach Nixies erkundigt hatte, und auch preiswerte Nixies bestellt hatte, konnte es also losgehen. Ich entschied mich für die russische Nixie IN-14, die zugegebenermaßen relativ preisgünstig ist, aber trotzdem klasse aussieht:

Nun galt es, die Schaltung in die Tat umzusetzen. Die Schaltung besitzt einen Taktgenerator auf Quarz-Basis, von dem die Uhrenelektronik mit ihrem 1Hz-Takt versorgt wird. Diese besteht aus 6 Dezimalzähler-ICs CD4017, die mit Hilfe des UND-Gatter-ICs CD4081 resettet werden. Hier sind die jeweiligen Zählstufen zu sehen, wobei die Treiber (siehe unten) zur besseren Übersichtlichkeit jeweils weggelassen wurden:
Der Sekunden- und Minuten-Reset; hier genügt der (Dezimal-)Ausgang Nr. 6 zum Resetten:

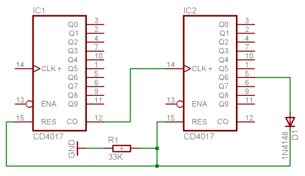
Um den Stunden-Reset vollführen zu können, werden der Pin Nr. 4 (bei den Einern) und der Pin Nr. 2 (bei den Zehnern) an das UND-Gatter CD4081 gelegt, das diese Zählerstufe somit resettet:

Anmerkung: In den obigen Schaltplänen wurden die Spannungsversorgungen der ICs aus Übersichtlichkeitsgründen nicht mit eingezeichnet. Diese können Sie zum Beispiel dem Digital-IC-Lexikon entnehmen.
Da man die +5V der Logik-Signale nicht direkt an die Nixies anschließen kann, benötigt man einen Treiber, der die Brücke zwischen den +5V und den +190V schlägt; mit anderen Worten: einen Hochspannungs-Transistor. Der MPSA 42 ist dazu bestens geeignet und ist zum Beispiel bei Reichelt zu einem geringen Preis verfügbar, was auch nicht ganz unwichtig ist, denn dieser Transistor wird hier 45× benötigt. Hier ein Bild der Treiberstufe, die - wie gesagt - 45× aufgebaut werden muss:

Das verwendete Netzteil zum Erzeugen der erforderlichen Hochspannung wird hier näher beschrieben.
Als Gehäuse kann man Plexiglas verwenden; ich jedenfalls entschied mich dafür. Hier sind ein paar Bilder vom Bauprozess des Gehäuses und der fertigen Uhr zu sehen:


Das Festdrehen der letzten Schraube:

Und hier ein Bild der endlich fertigen Nixie-Uhr im Betrieb:

www.jb-electronics.de » Electronics » Nixie Tubes » Nixie Clock I
There is no English translation of this page available yet. It will take some more time for me to translate the whole website.
If you have a particular interest in this page getting translated as fast as possible, please contact me; I will see what I can do. Please click here for the German version.