www.jb-electronics.de » Elektronik » Digitaltechnik » PIC-Zähler I
Dieser Zähler erfüllt eigentlich die selbe Funktion wie der Digitalzähler I oder Digitalzähler II, nur dass hier der PIC16F627A die Rolle des Zähl-ICs übernimmt. In der Praxis hat so eine Schaltung natürlich keinen Platz; denn sehr kostengünstig oder innovativ ist sie nicht, da nur ein PIC zum einfachen Zähler herabgewürdigt wird. Also warum das ganze?
Nun, wie auch bei den Nixies der Nixie-Zähler I diente diese Schaltung dazu, etwas an Erfahrung mit den PIC-Microcontrollern zu sammeln. Und da kam diese Schaltung gerade recht: Denn sie verwendet neben dem PIC16F627A nur noch eine 7-Segment-Anzeige, einen Taster, zwei Widerstände, zwei Kondensatoren und ein Quarz. Daher ist sie die optimale Testschaltung, da - sollte ein Fehler auftreten - dieser nahezu hundertprozentig vom PIC oder seiner Programmierung herrühren muss und man so den Fehler ziemlich gut einkreisen kann, was bei größeren Schaltungen nur schwer möglich wäre.
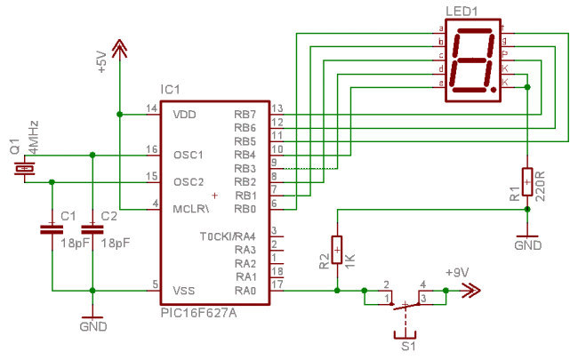
Hier nun der Schaltplan:

Auf der linken Seite zu sehen ist der Taktgeber, der - wie bei allen PIC-Schaltungen - nur aus drei Bauteilen besteht: einem Quarz, das die (Takt-)Frequenz vorgibt (hier 4MHz), und zwei Kondensatoren, die bei dieser Frequenz so im 20pF-Bereich liegen sollten und beide Anschlüsse des Quarzes nach Masse leiten. Da sieht man auch einmal, wie genügsam PIC-Prozessoren sind, und warum sie in so viele Bastlerprojekte Eingang gefunden haben, denn sie benötigen in der Regel auch keine geregelte Spannung.
Intern fragt das Programm den Port RA0 ab (also dort, wo der Taster angeschlossen ist) und erhöht gegebenenfalls den momentanen Zählerstand. Dieser Wert wird anschließend in ein Bitmuster umgerechnet, der dann an den PORTB gesendet wird, an dem die 7-Segment-Anzeige angeschlossen ist.
Hier ein paar Fotos der fertigen Schaltung:


Alle Bauteile sind gut zu erkennen und aufgebaut war die Platine auch nach zehn Minuten. Als Einsteigerprojekt für PICs ist sie also sehr empfehlenswert.
Für alle Interessierten gibt es hier den C-Quellcode und das fertig kompilierte HEX-File: Zaehler1.zip (2KB)
www.jb-electronics.de » Electronics » Digital Technology » PIC Counter I
There is no English translation of this page available yet. It will take some more time for me to translate the whole website.
If you have a particular interest in this page getting translated as fast as possible, please contact me; I will see what I can do. Please click here for the German version.