www.jb-electronics.de » Elektronik » Digitaltechnik » Leuchtschild
Dieses Leuchtschild wurde für eine Vitrine entwickelt (die selbe wie beim berührungslosen Schalter), in der ein Schild - das mit dem Text "LASER" - nicht so ganz zur Geltung kam:

Zwar setzte sich das Schild vom Farbkontrast schwarz <-> weiß ganz gut ab, aber etwas fehle. Genau genommen wurde es damals schon von zwei roten 30cm-Kaltkathodenleuchtstäben hinterleuchtet, die allerdings so dunkel waren, dass sogar ein selbstgebastelter Reflektor aus Alufolie keine sichtliche Verbersserung mit sich brachte. Also mussten superhelle LEDs her.
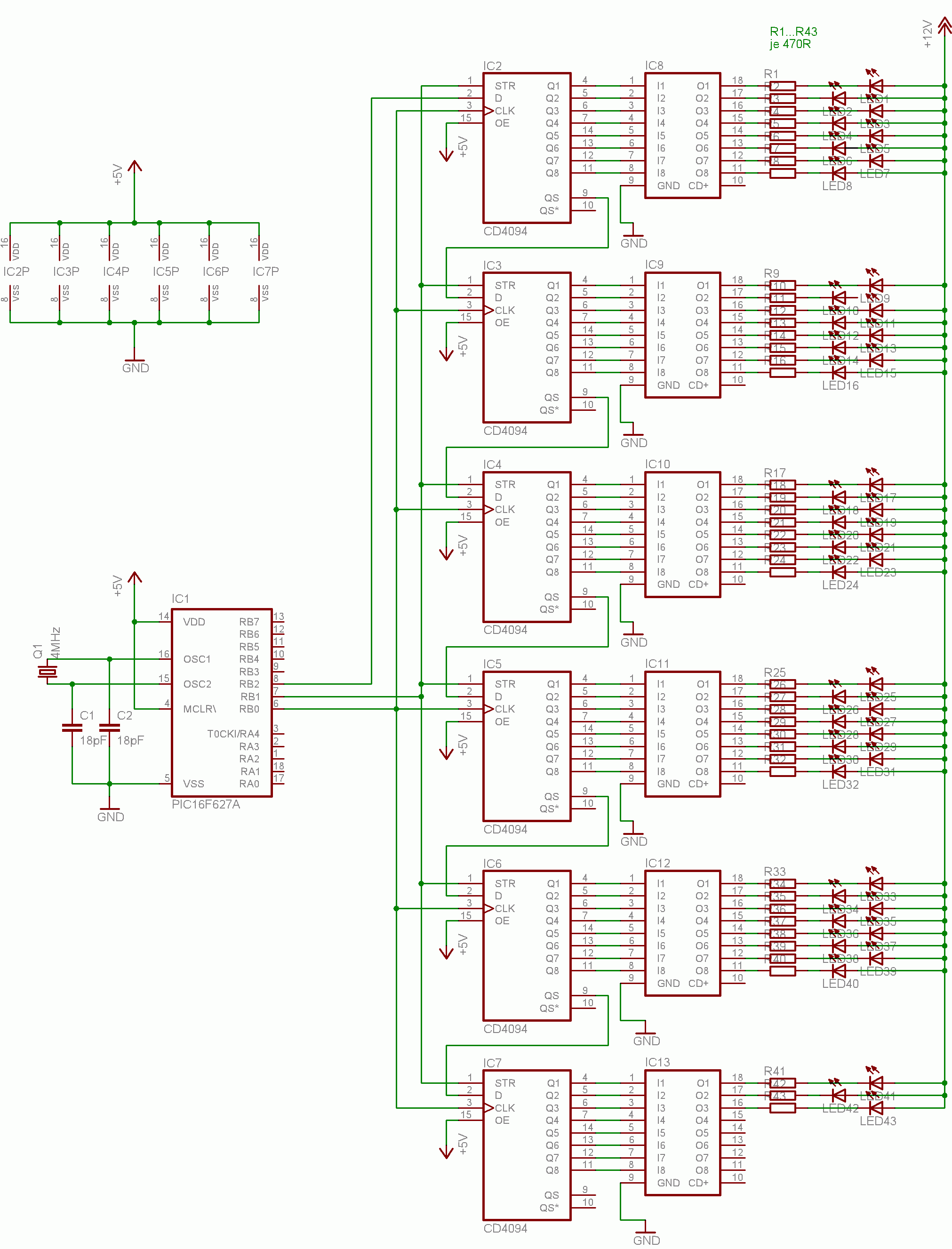
Der Plan war, die einzelnen Buchstaben zu hinterleuchten, sodass sich nachher relativ einfach gute Effekte erzeugen lassen. Somit fiel die Wahl schon einmal auf einen Microcontroller (hier wurde wieder der PIC16F627A verwendet).
Zur Porteinsparung wurden sechs 8-Bit-Schieberegister seriell kaskadiert. Warum genau sechs? Da 43 LEDs verwendet wurden, hier ist die Aufteilung auf die Buchstaben zu sehen:
| Buchstabe | Anzahl LEDs |
| L | 5 |
| A | 10 |
| S | 8 |
| E | 10 |
| R | 10 |
Hier ist der Schaltplan zu sehen:

Hier ist der Schaltplan in höherer Auflösung zu finden.
An sich ein recht simpler Aufbau, allerdings sollte der Verdrahtungsaufwand wie immer nicht unterschätzt werden. Aufgeteilt wurde das Ganze auf fünf Platinen (eine pro Buchstabe), die untereinander mit einem sechspoligen BUS verbunden wurden. Die sechs Leitungen waren: +12V für die LEDs, +5V für die Logik, die Datenleitung (obwohl kein richtiger BUS, da die Register ja kaskadiert wurden, siehe Schaltplan), STROBE, CLK und GND.
Hier sieht man die fünf Platinen verschaltet:

Und wegen des kleinen Bildes hier noch einmal die Platinen einzeln:





Hier ist das Schild in Aktion zu sehen:


Am Schild wurden dann die Platinen befestigt:

Hier ist auch zu sehen, dass der Controller und die Klemme für die Stromversorgung nachträglich außen angebracht wurden um spätere Reparaturen und Verdrahtungen zu vereinfachen.

Hier ist das Schild in Aktion zu sehen:


Die Effekte lassen sich schwer in Bildern festhalten, bei Interesse kann ich jedoch gerne ein kleines Video online stellen.
Für alle Interessierten gibt es hier den C-Quellcode und das fertig kompilierte HEX-File: LaserSchild.zip (4KB)
www.jb-electronics.de » Electronics » Digital Technology » LED Sign
There is no English translation of this page available yet. It will take some more time for me to translate the whole website.
If you have a particular interest in this page getting translated as fast as possible, please contact me; I will see what I can do. Please click here for the German version.