Zur Druckansicht wechseln Visit the English version of this page

www.jb-electronics.de » Elektronik » Nixie-Röhren » Nixie-Sammlung » NL-840

NL-840

Die NL-840 vom amerikanischen Hersteller National Electronics ist eine mittelgroße Nixie mit einer Ziffernhöhe von 15mm:

Die NL-840 im Größenvergleich

Hier sieht man die NL-840 im Ruhezustand:

Die NL-840 im RuhezustandDie NL-840 im Ruhezustand

Die NL-840 im Ruhezustand

Die NL-840 im Ruhezustand

Hier sieht man die NL-840 neben ihrer Originalverpackung:

Die NL-840 neben ihrer Originalverpackung

Die NL-840 neben ihrer Originalverpackung

Zu erkennen ist, dass die NL-840 äquivalent zum Typ 7722 ist. Diese Typenangabe bezieht sich vermutlich auf die äquivalente Nixie der Firma Burroughs, die häufig mit der Typennummer 7... beginnen. 7722 ist übrigens gleichbedeutend mit B-7722 oder B7722. Es fällt auf, dass viele Nixies, die die Firma Burroughs herstellte, unter anderer Bezeichnung auch bei National Electronics auftauchen. Charakteristisch für die Typenbezeichnungen von National Electronics ist das stets vorgestellte NL vor einer Typenbezeichnung.

Hier ist das Leuchtbild der NL-840 zu sehen:

Die Ziffer 0Die Ziffer 1Die Ziffer 2Die Ziffer 3Die Ziffer 4

Die Ziffer 5Die Ziffer 6Die Ziffer 7Die Ziffer 8Die Ziffer 9

Hier ist das Leuchtbild der NL-840 von der Seite gesehen:

Die Ziffer 6

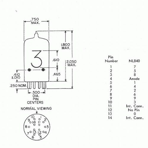
Hier ein paar Auszüge aus dem Datenblatt der NL-840:

Datenblatt der NL-840

Datenblatt der NL-840

Datenblatt der NL-840

Das komplette Datenblatt gibt es hier zum Download: NL840.zip (552KB)

Nach oben

show print layout Die deutsche Version der Seite besuchen

www.jb-electronics.de » Electronics » Nixie Tubes » Nixie Tube Collection » NL-840

NL-840

My apologies...

There is no English translation of this page available yet. It will take some more time for me to translate the whole website.

If you have a particular interest in this page getting translated as fast as possible, please contact me; I will see what I can do. Please click here for the German version.

To the top